Stromversorgung 26er Puma
Moderatoren: bachris, Willi, gima10
Forumsregeln
Bitte beachte, dass Werbung hier unerwünscht ist und Links oder ganze Beträge, die nur Werbezwecken dienen, kommentarlos gelöscht werden! Bei Nichtbeachtung dieser Regel kann Dein Account vorübergehend oder gänzlich gesperrt werden!
Bitte beachte, dass Werbung hier unerwünscht ist und Links oder ganze Beträge, die nur Werbezwecken dienen, kommentarlos gelöscht werden! Bei Nichtbeachtung dieser Regel kann Dein Account vorübergehend oder gänzlich gesperrt werden!
- Bandit1973
- Maat

- Beiträge: 142
- Registriert: Sonntag 21. April 2013, 12:17
- Bootsfahrtyp: Segler
- Lieblingsrevier: Kvarner
- Wohnort: Wien
Stromversorgung 26er Puma
Hallo mal in die Runde...
Hintergrund dieses Threads:
In anderen (vorwiegend Deutsch besetzten) Foren bekomme ich vorwiegend blöde Antworten auf meine Bitte.
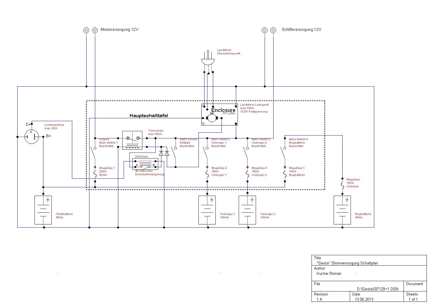
Ich möchte (muss) die Haupt-Stromversorgung meiner "Siesta" (26er Puma) erneuern.
mit der bisherigen Schaltung (Alle Batterien an einem Strang) werde ich sicher nicht losfahren.
Nun bin ich grade am Basteln der Hauptschalttafel.
Und möchte euch bitten mal einen Blick auf die Schaltung zu werfen, ob ihr evtl. einen Fehler, bzw. Verbesserungsvorschläge findet.
Der Plan....
Starter und Bugbatterie (Ankerwinsch) sind vom Versorgernetz getrennt wenn Motor aus.
Zeitrelais: 45 Sekunden nach "Zündung Ein" werden die Batteriekreise zusammengeschaltet. (wenn Motor nicht anspringt... Zündung Aus/Ein, beginnen die 45s neu zu laufen)
Auch wenn von den 4 Batterien 3 ausfallen sollten, kann ich immernoch den Motor starten, und damit das Bordnetz (Funk/Nav) versorgen.
Die Kabelstärken sind nicht eingetragen, aber:
Hochstromkabel werden 35mm², und Steuerleitungen 1,5mm²
Alle anschlüsse werden entweder gelötet und eingeschrumpft, oder Verschraubt.
Es gibt keine Steckverbindungen!!
Findet jemand einen Fehler/Verbesserung???
Hintergrund dieses Threads:
In anderen (vorwiegend Deutsch besetzten) Foren bekomme ich vorwiegend blöde Antworten auf meine Bitte.
Ich möchte (muss) die Haupt-Stromversorgung meiner "Siesta" (26er Puma) erneuern.
mit der bisherigen Schaltung (Alle Batterien an einem Strang) werde ich sicher nicht losfahren.
Nun bin ich grade am Basteln der Hauptschalttafel.
Und möchte euch bitten mal einen Blick auf die Schaltung zu werfen, ob ihr evtl. einen Fehler, bzw. Verbesserungsvorschläge findet.
Der Plan....
Starter und Bugbatterie (Ankerwinsch) sind vom Versorgernetz getrennt wenn Motor aus.
Zeitrelais: 45 Sekunden nach "Zündung Ein" werden die Batteriekreise zusammengeschaltet. (wenn Motor nicht anspringt... Zündung Aus/Ein, beginnen die 45s neu zu laufen)
Auch wenn von den 4 Batterien 3 ausfallen sollten, kann ich immernoch den Motor starten, und damit das Bordnetz (Funk/Nav) versorgen.
Die Kabelstärken sind nicht eingetragen, aber:
Hochstromkabel werden 35mm², und Steuerleitungen 1,5mm²
Alle anschlüsse werden entweder gelötet und eingeschrumpft, oder Verschraubt.
Es gibt keine Steckverbindungen!!
Findet jemand einen Fehler/Verbesserung???
- Bandit1973
- Maat

- Beiträge: 142
- Registriert: Sonntag 21. April 2013, 12:17
- Bootsfahrtyp: Segler
- Lieblingsrevier: Kvarner
- Wohnort: Wien
Re: Stromversorgung 26er Puma
Hmmm.... bin ich zu Blöd, oder funzt das Hochladen eines Jpg. nicht ????
- Bandit1973
- Maat

- Beiträge: 142
- Registriert: Sonntag 21. April 2013, 12:17
- Bootsfahrtyp: Segler
- Lieblingsrevier: Kvarner
- Wohnort: Wien
Re: Stromversorgung 26er Puma
Hats endlichgeklappt??????
- Willi
- Moderator

- Beiträge: 1493
- Registriert: Montag 29. März 2004, 16:39
- Bootsfahrtyp: Segler & Motorbootfahrer
- Lieblingsrevier: Salzwasser
- Wohnort: Wien
- Kontaktdaten:
Re: Stromversorgung 26er Puma
Hallo Roman !
Wenn ich das richtig verstehe so sind die Main Switch 1 - 4 von Hand betätigte unabhängige Schalter. Wenn dem so ist könnte es ein kleines Problem geben.
Wenn du vergisst den Schalter 4 nach dem Motorstop zu öffnen so kann dir die Winch die Starterbatterie leeren da die dann parallel geschaltet sind.
Bei den Drähten rate ich dir zum Besten was es am Markt gibt (Leider auch am teuersten) verzinnte feinadrige Litzenkabel mit Gummi oder Silikonisolierung.
Vom Verlöten würde ich abraten. Bei den Übergängen von verlötet zu flexibel bricht das Kabel gerne. Quetschen mit einer guten Gripzange danach Verbindungsstelle mit Polfett behandeln und Schrumpfschlauch darüber.
Ein Beispiel der Kabelqualität findest du unter http://www.google.at/url?sa=t&rct=j&q=l ... q6YZZZmyiw
Seite 56 und folgende
Wenn ich das richtig verstehe so sind die Main Switch 1 - 4 von Hand betätigte unabhängige Schalter. Wenn dem so ist könnte es ein kleines Problem geben.
Wenn du vergisst den Schalter 4 nach dem Motorstop zu öffnen so kann dir die Winch die Starterbatterie leeren da die dann parallel geschaltet sind.
Bei den Drähten rate ich dir zum Besten was es am Markt gibt (Leider auch am teuersten) verzinnte feinadrige Litzenkabel mit Gummi oder Silikonisolierung.
Vom Verlöten würde ich abraten. Bei den Übergängen von verlötet zu flexibel bricht das Kabel gerne. Quetschen mit einer guten Gripzange danach Verbindungsstelle mit Polfett behandeln und Schrumpfschlauch darüber.
Ein Beispiel der Kabelqualität findest du unter http://www.google.at/url?sa=t&rct=j&q=l ... q6YZZZmyiw
Seite 56 und folgende
Liebe Grüße
Willi
Willi
- Bandit1973
- Maat

- Beiträge: 142
- Registriert: Sonntag 21. April 2013, 12:17
- Bootsfahrtyp: Segler
- Lieblingsrevier: Kvarner
- Wohnort: Wien
Re: Stromversorgung 26er Puma
Jep, das sind vier Nato-Knochen.
Vergessen darf man natürlich keinen.
Hmmm.... Ankerwinde läuft eigentlich nur solange auch der Motor läuft!!!!
Der Schalter ist nur um die Bugbatterie im Notfall (Zellenschluss/Kabelbruch) aus dem Netz zu nehmen,
damit das restliche System nicht runtergezogen wird.
Nicht Verlöten?????
Ich wollte die 35mm² Kabel in Kabelschuhe Quetschen, dann satt verlöten, und mit Schrumpfschlauch versiegeln.
Ich denke so kann ich das eindringen von Feuchtigkeit IN das Kabel (zwischen die Litzen) verhindern!!!
Das Kabel wird in den Anschlussbereichen (Übergang) Fix (Befestigt) verlegt.
Die Steuerleitungen werden Starre Leitungen (keine Litzenkabel) um Feuchtigkeit von vornherein auszuschliessen.
Ach ja....von den Verzinnten Litzenkabeln halte ich ehrlich gesagt nicht soviel.
Wenn ich ein ordentliches Kupferkabel gegen Feuchtigkeit schütze, habe ich bei selbem Querschnitt bessere Werte.
Die Verzinnung ist ja nur Korrosionsschutz, und vermindert natürlich massiv die Biegeradien!!!
Vergessen darf man natürlich keinen.
Hmmm.... Ankerwinde läuft eigentlich nur solange auch der Motor läuft!!!!
Der Schalter ist nur um die Bugbatterie im Notfall (Zellenschluss/Kabelbruch) aus dem Netz zu nehmen,
damit das restliche System nicht runtergezogen wird.
Nicht Verlöten?????
Ich wollte die 35mm² Kabel in Kabelschuhe Quetschen, dann satt verlöten, und mit Schrumpfschlauch versiegeln.
Ich denke so kann ich das eindringen von Feuchtigkeit IN das Kabel (zwischen die Litzen) verhindern!!!
Das Kabel wird in den Anschlussbereichen (Übergang) Fix (Befestigt) verlegt.
Die Steuerleitungen werden Starre Leitungen (keine Litzenkabel) um Feuchtigkeit von vornherein auszuschliessen.
Ach ja....von den Verzinnten Litzenkabeln halte ich ehrlich gesagt nicht soviel.
Wenn ich ein ordentliches Kupferkabel gegen Feuchtigkeit schütze, habe ich bei selbem Querschnitt bessere Werte.
Die Verzinnung ist ja nur Korrosionsschutz, und vermindert natürlich massiv die Biegeradien!!!
- Willi
- Moderator

- Beiträge: 1493
- Registriert: Montag 29. März 2004, 16:39
- Bootsfahrtyp: Segler & Motorbootfahrer
- Lieblingsrevier: Salzwasser
- Wohnort: Wien
- Kontaktdaten:
Re: Stromversorgung 26er Puma
Dann sollte die Starter und Bug Batterie gleich sein (Ah alter usw.)Bandit1973 hat geschrieben:Der Schalter ist nur um die Bugbatterie im Notfall (Zellenschluss/Kabelbruch) aus dem Netz zu nehmen,
damit das restliche System nicht runtergezogen wird.
Das Einringen kannst du nie verhindern. Verzinnte Litzen halten einfach längerBandit1973 hat geschrieben:Ich denke so kann ich das eindringen von Feuchtigkeit IN das Kabel (zwischen die Litzen) verhindern!!!
Starre Leitungen auf einem Boot sind ein "NO GO"Bandit1973 hat geschrieben:Die Steuerleitungen werden Starre Leitungen (keine Litzenkabel) um Feuchtigkeit von vornherein auszuschliessen.
Wieso sollen die Werte durch verzinnte Kabel schlechter sein??Bandit1973 hat geschrieben:von den Verzinnten Litzenkabeln halte ich ehrlich gesagt nicht soviel.
Wenn ich ein ordentliches Kupferkabel gegen Feuchtigkeit schütze, habe ich bei selbem Querschnitt bessere Werte.
Die Verzinnung ist ja nur Korrosionsschutz, und vermindert natürlich massiv die Biegeradien!!!
Biegeradius ist bei solchen Leitungen vernachlässigbar
Liebe Grüße
Willi
Willi
- Bandit1973
- Maat

- Beiträge: 142
- Registriert: Sonntag 21. April 2013, 12:17
- Bootsfahrtyp: Segler
- Lieblingsrevier: Kvarner
- Wohnort: Wien
Re: Stromversorgung 26er Puma
Auch wenn ich den Sinn nicht verstehe, (beide sind 12V Starterbatterien)Willi hat geschrieben: Dann sollte die Starter und Bug Batterie gleich sein (Ah alter usw.)
Das wird sich machen lassen.
Hab mich nun in das thema eingelesen.... hat mich überzeugt....Machen wir so!!!!Willi hat geschrieben: Das Einringen kannst du nie verhindern. Verzinnte Litzen halten einfach länger
Warum??Willi hat geschrieben: Starre Leitungen auf einem Boot sind ein "NO GO"
damit meinte ich nur die Leitungen der Schalttafel selbst, zur Relaisansteuerung und das ganze Dioden und Schalterglump.
Da findet keine Bewegung statt.
Die Starren Leitungen lassen sich auch schön in Reih und Glied Verlegen (Das Auge Schaltet ja mit)
Leitungen vom Paneel weg (D+, NT und NT-Lüfter) werden natürlich hochflexibel ausgeführt.
Und nach neuesten erkenntnissen auch Verzinnt
JAJA, okay....sind ja sowieso nicht Sichtbar, da alles auf der Rückseite des Paneels Verkabelt ist
Ach ja.... Zwischenstand:
SO siehtsmomentan aus:
- Bandit1973
- Maat

- Beiträge: 142
- Registriert: Sonntag 21. April 2013, 12:17
- Bootsfahrtyp: Segler
- Lieblingsrevier: Kvarner
- Wohnort: Wien
Re: Stromversorgung 26er Puma
Und dann hab ich gleich noch einen Nachtrag.......
Auf dem Schaltplan ist das leider nicht eingezeichnet....
Der Grüne Schalter am Paneel ist der 2Polige Schalter für des Netzteil.
Dieses wird Primärseitig (230V) geschaltet.
Wie kann ich verhindern, dass das NT eingeschaltet wird/bleibt, wenn der Motor läuft (LiMa lädt) ???
Das könnte nämlich böse Rauchzeichen entweder vom NT oder dem LiMa-Regler geben!!!
Noch ein Relais mehr ???
Bei "Zündung ein" wird sofort das NT Stromlos geschaltet?
oder fällt jemandem eine bessere Lösung ein?
NEIN, Sperrdioden in dieser Grössenordnung sind keine Alternative!!!
Auf dem Schaltplan ist das leider nicht eingezeichnet....
Der Grüne Schalter am Paneel ist der 2Polige Schalter für des Netzteil.
Dieses wird Primärseitig (230V) geschaltet.
Wie kann ich verhindern, dass das NT eingeschaltet wird/bleibt, wenn der Motor läuft (LiMa lädt) ???
Das könnte nämlich böse Rauchzeichen entweder vom NT oder dem LiMa-Regler geben!!!
Noch ein Relais mehr ???
Bei "Zündung ein" wird sofort das NT Stromlos geschaltet?
oder fällt jemandem eine bessere Lösung ein?
NEIN, Sperrdioden in dieser Grössenordnung sind keine Alternative!!!
- Willi
- Moderator

- Beiträge: 1493
- Registriert: Montag 29. März 2004, 16:39
- Bootsfahrtyp: Segler & Motorbootfahrer
- Lieblingsrevier: Salzwasser
- Wohnort: Wien
- Kontaktdaten:
Re: Stromversorgung 26er Puma
Die beiden Batterien sollen deswegen gleich sein da sie sonst einen unterschiedlichen Ladezustand haben. die eine Gast schon die andere ist noch nicht voll geladen.
Litzendraht deswegen, weil es in einem Boot immer zu Schwingungen kommt wie in einem Auto und daher ein starrer Draht leichter bricht.
Zusätzlich wird es in der "en iso 10133" Kleine Wasserfahrzeuge - Elektrische Systeme - Kleinspannungs-Gleichstrom-... so vorgeschrieben
Im Buch http://www.bootselektrik-online.de/ findest du sich noch so manchen weitere Tipp.
Litzendraht deswegen, weil es in einem Boot immer zu Schwingungen kommt wie in einem Auto und daher ein starrer Draht leichter bricht.
Zusätzlich wird es in der "en iso 10133" Kleine Wasserfahrzeuge - Elektrische Systeme - Kleinspannungs-Gleichstrom-... so vorgeschrieben
Im Buch http://www.bootselektrik-online.de/ findest du sich noch so manchen weitere Tipp.
Liebe Grüße
Willi
Willi
- Willi
- Moderator

- Beiträge: 1493
- Registriert: Montag 29. März 2004, 16:39
- Bootsfahrtyp: Segler & Motorbootfahrer
- Lieblingsrevier: Salzwasser
- Wohnort: Wien
- Kontaktdaten:
Re: Stromversorgung 26er Puma
Würde ich so machen. Dioden deswegen nicht, da du dann einen Spannungsabfall hast und die Ladeelektronik verwirrt wird.Bandit1973 hat geschrieben:Noch ein Relais mehr ???
Bei "Zündung ein" wird sofort das NT Stromlos geschaltet?
Ein Nachtrag zum Ladegerät. In würde nur ein gutes mit automatischer Steuerung und Umschaltung auf Erhaltungsladung empfehlen
Liebe Grüße
Willi
Willi
- Bandit1973
- Maat

- Beiträge: 142
- Registriert: Sonntag 21. April 2013, 12:17
- Bootsfahrtyp: Segler
- Lieblingsrevier: Kvarner
- Wohnort: Wien
Re: Stromversorgung 26er Puma
Okay.... das mit den Vibrationen Akzeptiere ich... Wird also mit Litzendraht gemacht.
Hab ja noch genug rumliegen (Silikonkabel aus Modellbauzeit) *gg*
Der Spannungsabfall ist eben der Grund warum ich keine Sperrdioden verbauen möchte.
Das Ladegerät, ja, das ist so eine Sache.....
Bei mir kommt ein "Frisiertes" Servernetzteil zum Einsatz.
Da ich eine Festspannungsquelle verwende, die mit 13,8V arbeitet (Temperaturkompensation für 40°C in HR)
habe ich keine Probleme mit Gasung (Die tritt AUSSCHLIESSLICH bei zu hoher Ladespannung auf) (oder eben Defekter BAtterie)
Ladeelektronik im herkömmlichen Sinn, kann also nicht Verwirrt werden.
(Diese IUoUoUIoirgendwas Lader werden leider Verwirrt, wenn man im Ladebetrieb plötzlich Strom braucht)
Normalerweise, wird niemand den Motor Starten solange noch das Landstromkabel dran ist,
aber ich möchte das System eben "Deppensicher" aufbauen, und das alles in einem Aufwaschen.
So eine Installation mach ich einmal im Leben. Das muss passen.
Ich möchte dann nicht im Urlaub wieder rumfrickeln, deshalb bin ich da ziemlich Kleinlich.....
Ach ja, auch wenn es grosses Kopfschütteln gibt über mein Ladegerät.
Ich der Garage, mit 4 VERSCHIEDENEN Batterien (1x45Ah Säure, 1x72Ah Säure, 1x160Ah AGM und 1x80Ah Gel) funktioniert das wirklich völlig problemlos.
Allerdings hier noch bei 14,2V Da es in der Garage kühl ist.
Hab ja noch genug rumliegen (Silikonkabel aus Modellbauzeit) *gg*
Der Spannungsabfall ist eben der Grund warum ich keine Sperrdioden verbauen möchte.
Das Ladegerät, ja, das ist so eine Sache.....
Bei mir kommt ein "Frisiertes" Servernetzteil zum Einsatz.
Da ich eine Festspannungsquelle verwende, die mit 13,8V arbeitet (Temperaturkompensation für 40°C in HR)
habe ich keine Probleme mit Gasung (Die tritt AUSSCHLIESSLICH bei zu hoher Ladespannung auf) (oder eben Defekter BAtterie)
Ladeelektronik im herkömmlichen Sinn, kann also nicht Verwirrt werden.
(Diese IUoUoUIoirgendwas Lader werden leider Verwirrt, wenn man im Ladebetrieb plötzlich Strom braucht)
Normalerweise, wird niemand den Motor Starten solange noch das Landstromkabel dran ist,
aber ich möchte das System eben "Deppensicher" aufbauen, und das alles in einem Aufwaschen.
So eine Installation mach ich einmal im Leben. Das muss passen.
Ich möchte dann nicht im Urlaub wieder rumfrickeln, deshalb bin ich da ziemlich Kleinlich.....
Ach ja, auch wenn es grosses Kopfschütteln gibt über mein Ladegerät.
Ich der Garage, mit 4 VERSCHIEDENEN Batterien (1x45Ah Säure, 1x72Ah Säure, 1x160Ah AGM und 1x80Ah Gel) funktioniert das wirklich völlig problemlos.
Allerdings hier noch bei 14,2V Da es in der Garage kühl ist.
- Willi
- Moderator

- Beiträge: 1493
- Registriert: Montag 29. März 2004, 16:39
- Bootsfahrtyp: Segler & Motorbootfahrer
- Lieblingsrevier: Salzwasser
- Wohnort: Wien
- Kontaktdaten:
Re: Stromversorgung 26er Puma
Ein Frage wie viel Amper kann dein Ladegerät? Eine Faustformel sagt das Ladegerät sollte ca ein zehntel der Ah der Batterien können. Das sind bei dir rund 30 A.Bandit1973 hat geschrieben:Bei mir kommt ein "Frisiertes" Servernetzteil zum Einsatz. Da ich eine Festspannungsquelle verwende, die mit 13,8V arbeitet
Die beste Art deine Batterien zu laden ist ein Ladegerät mit 4x 12 V dann wird jede Batterie optimal voll sein.
Liebe Grüße
Willi
Willi
- Bandit1973
- Maat

- Beiträge: 142
- Registriert: Sonntag 21. April 2013, 12:17
- Bootsfahrtyp: Segler
- Lieblingsrevier: Kvarner
- Wohnort: Wien
Re: Stromversorgung 26er Puma
Das teil bringt bis 140A
Kein Tippfehler!!!
In Worten: "Hundertvierzig Ampere!!!"
4 Ausgangskreise sind m.E sinnlos, wenn geladen wird sind ja alle Batterien zusammengeschaltet, somit wären auch die Ladeausgänge zusammengeschaltet!!!!
Die beiden Versorger sind Parallel, Bug und Starter ebenfalls.
(ausser im Defektfall durch Schalter aus dem Netz genommen)
Ich müsste also ALLE Hauptschalter öffnen (das Boot völlig Stromlos machen) um die Batterien getrennt zu Laden, nur um sie dann (trotz evtl. unterschiedlichem Ladezustand) wieder zusammenzuschalten
Da alles 12V Bleiakkus sind,(völlig unerheblich ob Säure,AGM oder Gel, die Chemie ist die gleiche) kann man sie natürlich auch gemeinsam Laden......
Jede Batterie nimmt sich /(abhängig von ihrem Ladezustand) eben was sie Braucht (kriegen kann)
Ach ja.... 4x12V... da wird die Batterie eher Leer als Voll!!!!!
bei 20°C solltens um die 14,4V sein.
zur sicheren vermeidung von überladung/Gasung lieber etwas niedriger ansetzten
Ach ja.... es geht um ein http://www.ebay.de/itm/IBM-BladeCenter- ... 1026782458
Serienmässig liefert es 12,2V. mit ein paar Modifikationen kann man es bis 16V raufregeln (maximale Spannungsfestigkeit derElKos)
Umbauanleitungen gibts im Netz zur genüge.
Und, wie schon erwähnt.... das Funktioniert bereits !!!!!!
Sollte Interesse bestehen an wirklich leistungsfähigen Ladegeräten, kann ich die Umbauanleitung gerne nachreichen.
Ist aber nicht ganz ohne..... SMD umlöten ist etwas Tricky *gg*
Kein Tippfehler!!!
In Worten: "Hundertvierzig Ampere!!!"
4 Ausgangskreise sind m.E sinnlos, wenn geladen wird sind ja alle Batterien zusammengeschaltet, somit wären auch die Ladeausgänge zusammengeschaltet!!!!
Die beiden Versorger sind Parallel, Bug und Starter ebenfalls.
(ausser im Defektfall durch Schalter aus dem Netz genommen)
Ich müsste also ALLE Hauptschalter öffnen (das Boot völlig Stromlos machen) um die Batterien getrennt zu Laden, nur um sie dann (trotz evtl. unterschiedlichem Ladezustand) wieder zusammenzuschalten
Da alles 12V Bleiakkus sind,(völlig unerheblich ob Säure,AGM oder Gel, die Chemie ist die gleiche) kann man sie natürlich auch gemeinsam Laden......
Jede Batterie nimmt sich /(abhängig von ihrem Ladezustand) eben was sie Braucht (kriegen kann)
Ach ja.... 4x12V... da wird die Batterie eher Leer als Voll!!!!!
bei 20°C solltens um die 14,4V sein.
zur sicheren vermeidung von überladung/Gasung lieber etwas niedriger ansetzten
Ach ja.... es geht um ein http://www.ebay.de/itm/IBM-BladeCenter- ... 1026782458
Serienmässig liefert es 12,2V. mit ein paar Modifikationen kann man es bis 16V raufregeln (maximale Spannungsfestigkeit derElKos)
Umbauanleitungen gibts im Netz zur genüge.
Und, wie schon erwähnt.... das Funktioniert bereits !!!!!!
Sollte Interesse bestehen an wirklich leistungsfähigen Ladegeräten, kann ich die Umbauanleitung gerne nachreichen.
Ist aber nicht ganz ohne..... SMD umlöten ist etwas Tricky *gg*
- Willi
- Moderator

- Beiträge: 1493
- Registriert: Montag 29. März 2004, 16:39
- Bootsfahrtyp: Segler & Motorbootfahrer
- Lieblingsrevier: Salzwasser
- Wohnort: Wien
- Kontaktdaten:
Re: Stromversorgung 26er Puma
Des schoff i mit meine 4 Augen nimmerBandit1973 hat geschrieben:Sollte Interesse bestehen an wirklich leistungsfähigen Ladegeräten, kann ich die Umbauanleitung gerne nachreichen.
Ist aber nicht ganz ohne..... SMD umlöten ist etwas Tricky *gg*
Liebe Grüße
Willi
Willi
- Bandit1973
- Maat

- Beiträge: 142
- Registriert: Sonntag 21. April 2013, 12:17
- Bootsfahrtyp: Segler
- Lieblingsrevier: Kvarner
- Wohnort: Wien
Re: Stromversorgung 26er Puma
Och das liegt weniger an den Augen.
Du brauchst sowieso eine "3.Hand" mit Vergrösserungsglas.
Viel wichtiger...Das Zittern aus der Hand zu bekommen!!!!
Und entsprechend feines Lötwerkzeug *gg*
Du brauchst sowieso eine "3.Hand" mit Vergrösserungsglas.
Viel wichtiger...Das Zittern aus der Hand zu bekommen!!!!
Und entsprechend feines Lötwerkzeug *gg*
Wer ist online?
Mitglieder in diesem Forum: 0 Mitglieder und 2 Gäste